Главная > Подшипники> Опорные ролики>RBL 18D

RBL 18D — Сферический шарнирный подшипник, импортное производство по ISO стандарту номер основного исполнения .
Производитель: NIS.
D = профиль наружного кольца, усовершенствованный, с увеличенной зоной несущей нагрузки и оптимизированными краевыми переходами.
Цена по запросу
Цена на подшипник зависит от:
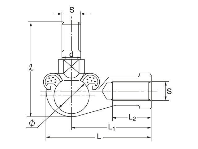
Габаритные размеры
Присоединительные размеры
Прочие характеристики