Главная > Подшипники> Комбинированные>RAXZ 570

RAXZ 570 — Роликовый игольчатый подшипник, импортное производство по ISO стандарту номер основного исполнения RAXZ570.
Производится брендами: KOYO, TIMKEN.
Металлический экран с одной стороны.
Цена по запросу
Цена на подшипник зависит от:
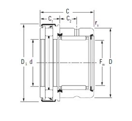
Габаритные размеры
Размеры и геометрические характеристики
Нагрузка и ресурс
Защита
Присоединительные размеры
Конструкция и исполнение