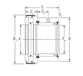
Главная > Подшипники> Комбинированные>RAXZ 560

RAXZ 560 — Роликовый игольчатый подшипник, импортное производство по ISO стандарту номер основного исполнения RAXZ560.
Производится брендами: KOYO, TIMKEN.
Металлический экран с одной стороны.
Цена по запросу
Цена на подшипник зависит от:
Габаритные размеры
Размеры и геометрические характеристики
Нагрузка и ресурс
Защита
Присоединительные размеры
Конструкция и исполнение