Главная > Подшипники> Комбинированные>RAXZ 520

RAXZ 520 — Роликовый игольчатый подшипник, импортное производство по ISO стандарту номер основного исполнения RAXZ520.
Производится брендами: KOYO, TIMKEN.
Металлический экран с одной стороны.
Цена по запросу
Цена на подшипник зависит от:
Габаритные размеры
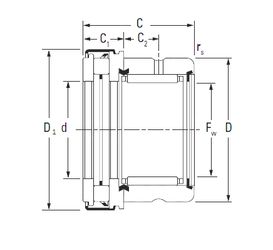
Размеры и геометрические характеристики
Нагрузка и ресурс
Защита
Присоединительные размеры
Конструкция и исполнение
Роликовый игольчатый подшипник RNAO18x30x24 (CX, ISO, KOYO, SKF, TIMKEN)
Роликовый игольчатый подшипник RNAF 183012 (IKO, JNS, NSK)
Роликовый игольчатый подшипник RNAFW 183024 (IKO, JNS, NSK)
Роликовый игольчатый подшипник RNAO-18?30?12 (NTN)
Подшипник роликовый игольчатый RNAO18X30X24-ZW-ASR1 (INA)