Главная > Подшипники> Комбинированные>RAXZ 510

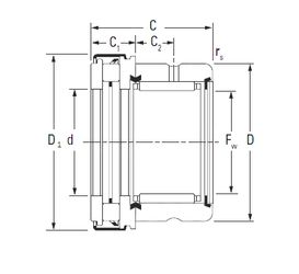
RAXZ 510 — Подшипник комбинированный, импортное производство по ISO стандарту номер основного исполнения RAXZ510.
Производится брендами: KOYO, TIMKEN.
Металлический экран с одной стороны.
Цена по запросу
Цена на подшипник зависит от:
Габаритные размеры
Размеры и геометрические характеристики
Нагрузка и ресурс
Защита
Присоединительные размеры
Конструкция и исполнение
Игольчатый роликоподшипник FWF-141910-E (NSK)
Подшипник игольчатый радиальный K14X19X13H (KOYO, TIMKEN)
Роликовый игольчатый подшипник K14X18X17H (KOYO, TIMKEN)
Игольчатый роликоподшипник KMJ14X19X11.8 (NTN)
Подшипник игольчатый радиальный KT 141910 (IKO)