Главная > Подшипники> Комбинированные>RAX 570

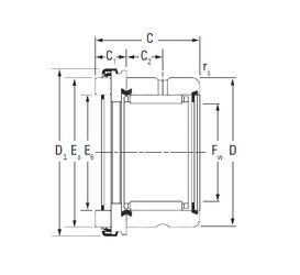
RAX 570 — Роликовый игольчатый подшипник, импортное производство по ISO стандарту номер основного исполнения RAX570.
Производится брендами: KOYO, TIMKEN.
Цена по запросу
Цена на подшипник зависит от:
Габаритные размеры
Размеры и геометрические характеристики
Нагрузка и ресурс
Защита
Присоединительные размеры
Конструкция и исполнение
Другие размеры
Подшипник роликовый упорный 4-9112 (ГПЗ-4)
Подшипник упорный с короткими цилиндрическими роликами однорядный без колец 999112
Подшипник упорный одинарный с игольчатыми роликами без колец АК60X85X3
Радиальный шарикоподшипник S61912 (ZEN)
Подшипник шариковый из нержавеющей стали S61912-2RS (ZEN)
Цилиндрический роликоподшипник NNC4912CV (SKF)