Главная > Подшипники> Комбинированные>RAX 545

RAX 545 — Роликовый игольчатый подшипник, импортное производство по ISO стандарту номер основного исполнения RAX545.
Производится брендами: KOYO, TIMKEN.
Цена по запросу
Цена на подшипник зависит от:
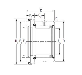
Габаритные размеры
Размеры и геометрические характеристики
Нагрузка и ресурс
Защита
Присоединительные размеры
Конструкция и исполнение
Другие размеры