Главная > Подшипники> Комбинированные>RAX 535

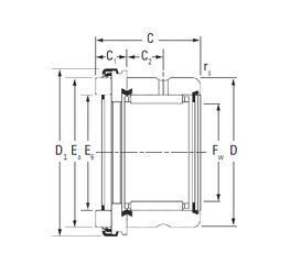
RAX 535 — Роликовый игольчатый подшипник, импортное производство по ISO стандарту номер основного исполнения RAX535.
Производится брендами: KOYO, TIMKEN.
Цена по запросу
Цена на подшипник зависит от:
Габаритные размеры
Размеры и геометрические характеристики
Нагрузка и ресурс
Защита
Присоединительные размеры
Конструкция и исполнение
Другие размеры
Осевой радиально-упорный шарикоподшипник BSQU 260/1 TDT (SNFA)
Осевой радиально-упорный шарикоподшипник BSQU 260/1 TFT (SNFA)
Подшипник комбинированный RAX 435 (KOYO, TIMKEN)