Главная > Подшипники> Комбинированные>RAX 525

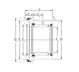
RAX 525 — Роликовый игольчатый подшипник, импортное производство по ISO стандарту номер основного исполнения RAX525.
Производится брендами: KOYO, TIMKEN.
Цена по запросу
Цена на подшипник зависит от:
Габаритные размеры
Размеры и геометрические характеристики
Нагрузка и ресурс
Защита
Присоединительные размеры
Конструкция и исполнение
Другие размеры