Главная > Подшипники> Комбинированные>RAX 520

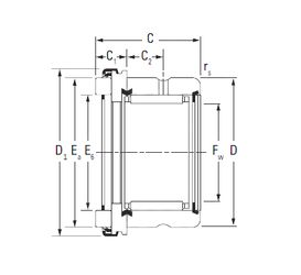
RAX 520 — Подшипник комбинированный, импортное производство по ISO стандарту номер основного исполнения RAX520.
Производится брендами: KOYO, TIMKEN.
Цена по запросу
Цена на подшипник зависит от:
Габаритные размеры
Размеры и геометрические характеристики
Нагрузка и ресурс
Защита
Присоединительные размеры
Конструкция и исполнение
Другие размеры
Подшипник комбинированный RW306213 (KBC)
Подшипник комбинированный RW306212 (KBC)
Подшипник комбинированный RW306211 (KBC)
Подшипник комбинированный RW306206 (KBC)
Подшипник комбинированный RW306203 (KBC)
Подшипник комбинированный RW306201 (KBC)