Главная > Подшипники> Комбинированные>RAX 517

RAX 517 — Роликовый игольчатый подшипник, импортное производство по ISO стандарту номер основного исполнения RAX517.
Производится брендами: KOYO, TIMKEN.
Цена по запросу
Цена на подшипник зависит от:
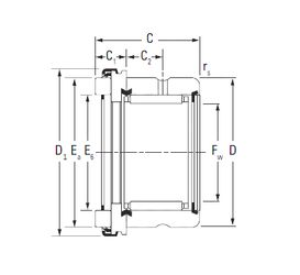
Габаритные размеры
Размеры и геометрические характеристики
Нагрузка и ресурс
Защита
Присоединительные размеры
Конструкция и исполнение
Другие размеры
Подшипник комбинированный RAX 417 (KOYO, TIMKEN)
Роликовый игольчатый подшипник RAX 720 (KOYO, TIMKEN)
Роликовый игольчатый подшипник RAXF 720 (KOYO)