Главная > Подшипники>RAE40NPPB

RAE40NPPB — Подшипник для корпуса, импортное производство по ISO стандарту номер основного исполнения .
Производится брендами: INA, NKE, PFI.
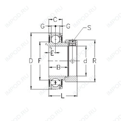
NPP = Манжетные уплотнения с обеих сторон (тип P = две оцинкованные шайбы из листовой стали с промежуточной частью NBR, с манжетным уплотнением с аксиальной предварительной нагрузкой). B = Подшипник со сферическим наружным кольцом.
Цена от:975 р.
Цена на подшипник зависит от:
Габаритные размеры
Нагрузка и ресурс
Радиальный шарикоподшипник M6208ZZ (KOYO)
Подшипник однорядный шариковый радиальный M6208 (KOYO)
Подшипник для корпуса MUC208 (NACHI)
Радиальный шарикоподшипник NA208-3L (PFI)
Подшипник для корпуса NA208 (FYH, KOYO)
Радиальный шарикоподшипник NC6208 (KOYO)