Главная > Подшипники> Шариковые> Радиальные>RAE12-NPPB

RAE12-NPPB — Подшипник для корпуса, импортное производство по ISO стандарту номер основного исполнения .
Производится брендами: INA, NKE.
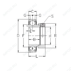
NPP = Манжетные уплотнения с обеих сторон (тип P = две оцинкованные шайбы из листовой стали с промежуточной частью NBR, с манжетным уплотнением с аксиальной предварительной нагрузкой). B = Подшипник со сферическим наружным кольцом.
Цена от:466 р.
Цена на подшипник зависит от:
Габаритные размеры
Нагрузка и ресурс
Подшипник для корпуса RA008RRB (TIMKEN)
Радиальный шарикоподшипник RA008RR (TIMKEN)
Подшипник для корпуса RAE12-NPP-FA106 (INA)