Главная > Подшипники> Шариковые> Радиальные>RABRB50/100-FA106

RABRB50/100-FA106 — Подшипник для корпуса, импортное производство по ISO стандарту номер основного исполнения .
Производитель: INA.
A1 = Конический роликовый подшипник однорядный
Цена по запросу
Цена на подшипник зависит от:
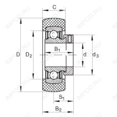
Габаритные размеры
Подшипник для корпуса NA211-32 (FYH, KOYO)
Подшипник для корпуса RA200RRB (TIMKEN)
Радиальный шарикоподшипник RA200RR (TIMKEN)