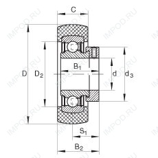
Главная > Подшипники> Шариковые> Радиальные>RABRB15/47-FA106

RABRB15/47-FA106 — Подшипник для корпуса, импортное производство по ISO стандарту номер основного исполнения .
Производитель: INA.
A1 = Конический роликовый подшипник однорядный
Цена по запросу
Цена на подшипник зависит от:
Габаритные размеры
Подшипник для корпуса NA202 (FYH, KOYO)
Подшипник шариковый радиальный NA202-10 (FYH, KOYO)
Подшипник шариковый радиальный RB202-10 (FYH, KOYO)
Подшипник шариковый радиальный RB202 (FYH, KOYO)