Главная > Подшипники> Шариковые> Радиальные>RA108-NPP-B

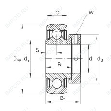
RA108-NPP-B — Подшипник для корпуса, импортное производство по ISO стандарту номер основного исполнения .
Производитель: INA.
NPP = Манжетные уплотнения с обеих сторон (тип P = две оцинкованные шайбы из листовой стали с промежуточной частью NBR, с манжетным уплотнением с аксиальной предварительной нагрузкой). B = Подшипник со сферическим наружным кольцом.
Цена по запросу
Цена на подшипник зависит от:
Габаритные размеры
Подшипник для корпуса RA108RRB (TIMKEN)
Подшипник для корпуса RA108RR (TIMKEN)
Подшипник для корпуса RA108-NPP (INA)
Подшипник шариковый радиальный RB208-24 (FYH, KOYO)