Главная > Подшипники> Шариковые> Радиальные>RA104-NPP-B

RA104-NPP-B — Подшипник для корпуса, импортное производство по ISO стандарту номер основного исполнения .
Производитель: INA.
NPP = Манжетные уплотнения с обеих сторон (тип P = две оцинкованные шайбы из листовой стали с промежуточной частью NBR, с манжетным уплотнением с аксиальной предварительной нагрузкой). B = Подшипник со сферическим наружным кольцом.
Цена по запросу
Цена на подшипник зависит от:
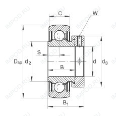
Габаритные размеры
Подшипник для корпуса NA207-22 (FYH, KOYO)
Подшипник для корпуса NA207-21 (FYH, KOYO)
Подшипник для корпуса RA104-NPP (INA)
Радиальный шарикоподшипник RA104RRB (TIMKEN)
Радиальный шарикоподшипник RA104RR (TIMKEN)
Подшипник шариковый радиальный RB207-20 (FYH, KOYO)