Главная > Подшипники> Шариковые> Радиальные>RA101-NPP

RA101-NPP — Подшипник для корпуса, импортное производство по ISO стандарту номер основного исполнения .
Производитель: INA.
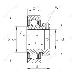
N = Канавка под стопорное кольцо в наружном кольце. P = Литой сепаратор из стеклонаполненного полиамида 6,6, центрируемый по телам качения.
Цена по запросу
Цена на подшипник зависит от:
Габаритные размеры
Подшипник для корпуса RA101RR (TIMKEN)
Подшипник для корпуса RA101RRB (TIMKEN)