Главная > Подшипники>R400-8

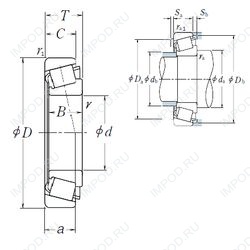
R400-8 — Цилиндрический роликоподшипник, импортное производство по ISO стандарту, размер 400x620x130 номер основного исполнения .
Производитель: NSK.
Цена по запросу
Цена на подшипник зависит от:
Габаритные размеры
Размеры и геометрические характеристики
Нагрузка и ресурс
Защита
Коэффициенты для расчета
Присоединительные размеры
Конструкция и исполнение