Главная > Подшипники> Шариковые> Радиальные>R16ZZ

R16ZZ — Подшипник однорядный шариковый радиальный, импортное производство по ISO стандарту номер основного исполнения R16.
Производится брендами: AST, CYSD, NSK, NTN.
ZZ = Два металлических экрана.
Цена от:1 438 р.
Цена на подшипник зависит от:
| Обозначение | Модификация |
|---|---|
| R16 | Основное конструктивное исполнение. |
| R16-Z | Металлический экран с одной стороны. |
| R16LLU | LLU = Резиновые уплотнения на каждой стороне подшипника. |
| R16-2Z | 2Z = Металлические шайбы с каждой стороны подшипника. |
| R16-RS | R = Наружное кольцо с фланцем . |
| R16LLB | LLB = Уплотнение из синтетического каучука бесконтактного типа. |
| R16-2RS | Резиновые уплотнения с каждой стороны подшипника. |
| R16LBLU | LB - массивный сепаратор из лёгкого сплава, центрирование по внутреннему кольцу. |
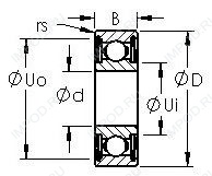
Габаритные размеры
Размеры и геометрические характеристики
Нагрузка и ресурс
Подшипник однорядный шариковый радиальный KP16A (AST)
Радиальный шарикоподшипник S10KD (TIMKEN)
Подшипник однорядный шариковый радиальный S10KDD (TIMKEN)
Подшипник однорядный шариковый радиальный S10K (TIMKEN)
Подшипник однорядный шариковый радиальный S10PP2 (TIMKEN)