Главная > Подшипники> Шариковые> Радиальные>R 4AA

R 4AA — Подшипник шариковый радиальный, импортное производство по ISO стандарту номер основного исполнения .
Производится брендами: ISO, NSK.
A = внутренняя модификация конструкции.
Цена по запросу
Цена на подшипник зависит от:
Габаритные размеры
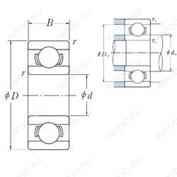
Размеры и геометрические характеристики
Нагрузка и ресурс
Подшипник упорный одинарный с игольчатыми роликами без колец АК6X19X2
Подшипник шариковый радиальный двухрядный DW4K (AST)
Радиальный шарикоподшипник ML6019 (KOYO)
Радиальный шарикоподшипник ML6019ZZ (KOYO)
Радиальный шарикоподшипник NC726V (KOYO)