Главная > Подшипники> Шариковые> Радиальные>R 144

R 144 — Подшипник однорядный шариковый радиальный, импортное производство по ISO стандарту номер основного исполнения R144.
Производится брендами: FBJ, ISB, ISO, NSK, NTN, ZEN.
Цена от:42 р.
Цена на подшипник зависит от:
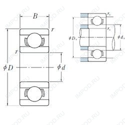
Габаритные размеры
Размеры и геометрические характеристики
Нагрузка и ресурс
Подшипник шариковый радиальный MF63 (FBJ, ISB, ISO, NSK, ZEN)
Подшипник шариковый из нержавеющей стали MF63ZZ (FBJ, ISB, ISO, NSK)
Подшипник шариковый из нержавеющей стали MF63-2Z (ZEN)
Радиальный шарикоподшипник ML3006 (KOYO)
Радиальный шарикоподшипник MLF3006 (KOYO)
Подшипник однорядный шариковый радиальный MR 63 ZZ (FBJ, ISB, ISO, NSK)