Главная > Подшипники> Шариковые> Радиально-упорные>QJM1.5/8

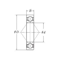
QJM1.5/8 — Подшипник шариковый с четырехточечным контактом, импортное производство по ISO стандарту, размер 41x101x23 номер основного исполнения .
Производится брендами: RHP, SIGMA.
Цена по запросу
Цена на подшипник зависит от:
Габаритные размеры
Размеры и геометрические характеристики
Нагрузка и ресурс
Защита
Конструкция и исполнение
Подшипник шариковый двухрядный самоустанавливающийся NMJ 1.5/8 (RHP, SIGMA)
Однорядный цилиндрический роликовый подшипник MMRJ1.5/8 (RHP)
Однорядный цилиндрический роликовый подшипник MRJ1.5/8 (NIS, RHP, SIGMA)
Подшипник шариковый однорядный радиально-упорный MJT 1.5/8 (NIS, RHP, SIGMA)
Подшипник однорядный шариковый радиальный RMS13 2RS (NIS)
Подшипник однорядный шариковый радиальный RMS13 ZZ (NIS)