Главная > Подшипники> Шариковые> Радиально-упорные>QJL2

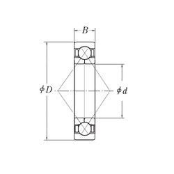
QJL2 — Подшипник шариковый с четырехточечным контактом, импортное производство по ISO стандарту, размер 50x101x20 номер основного исполнения .
Производится брендами: RHP, SIGMA.
Цена по запросу
Цена на подшипник зависит от:
Габаритные размеры
Размеры и геометрические характеристики
Нагрузка и ресурс
Защита
Конструкция и исполнение
Подшипник однорядный шариковый радиальный LJ2 (RHP, SIGMA)
Радиальный шарикоподшипник LJ2-N (RHP)
Радиальный шарикоподшипник LJ2-Z (RHP)
Радиальный шарикоподшипник LJ2-NR (RHP)
Радиальный шарикоподшипник LJ2-2Z (RHP)
Подшипник шариковый двухрядный самоустанавливающийся NLJ2 (RHP)