Главная > Подшипники> Шариковые> Радиально-упорные>QJL1.3/8

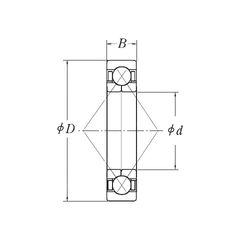
QJL1.3/8 — Подшипник шариковый с четырехточечным контактом, импортное производство по ISO стандарту, размер 34x76x17 номер основного исполнения .
Производится брендами: RHP, SIGMA.
Цена по запросу
Цена на подшипник зависит от:
Габаритные размеры
Размеры и геометрические характеристики
Нагрузка и ресурс
Защита
Конструкция и исполнение
Подшипник однорядный шариковый радиальный LJ 1.3/8 (RHP, SIGMA)
Подшипник однорядный шариковый радиальный LJ1.3/8-NR (RHP)
Подшипник однорядный шариковый радиальный LJ1.3/8-N (RHP)
Радиальный шарикоподшипник LJ1.3/8-RS (RHP)
Подшипник однорядный шариковый радиальный LJ1.3/8-2Z (RHP)
Подшипник однорядный шариковый радиальный LJ1.3/8-2RS (RHP)