Главная > Подшипники> Шариковые> Радиально-упорные>QJ348-N2-MPA

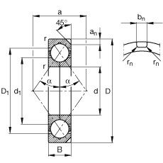
QJ348-N2-MPA — Шарикоподшипник радиально-упорный с четырехточечным контактом, импортное производство по ISO стандарту, размер 240x500x95 номер основного исполнения .
Производитель: FAG.
Шарикоподшипник с четырехточечным контактом.
N2 = Два установочных паза (выемки) на расстоянии 180 градусов в одной боковой поверхности наружного кольца или шайбе корпуса. MPA = Обработанная латунная клетка оконного типа, Руководство по внешнему кольцу (корпус).
Цена от:543 160 р.
Цена на подшипник зависит от:
Габаритные размеры
Размеры и геометрические характеристики
Нагрузка и ресурс
Присоединительные размеры
Однорядный цилиндрический роликовый подшипник NU348 (FAG, ISB, ISO, KOYO, NACHI)
Однорядный цилиндрический роликовый подшипник NU348 E.M1 (FAG)
Однорядный цилиндрический роликовый подшипник NU348 E.M1.C3 (FAG)
Подшипник роликовый радиальный с короткими цилиндрическими роликами без бортов на наружном кольце 2348
Подшипник роликовый радиальный с короткими цилиндрическими роликами с однобортовым внутренним кольцом 42348
Подшипник роликовый радиальный с короткими цилиндрическими роликами с однобортовым внутренним кольцом и с плоским упорным кольцом 92348