Главная > Подшипники> Шариковые> Радиально-упорные>QJ1016

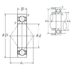
QJ1016 — Подшипник шариковый радиально-упорный, импортное производство по ISO стандарту, размер 80x125x22 основное исполнение.
Производится брендами: CX, ISO, NSK.
Шарикоподшипник с четырехточечным контактом.
Цена по запросу
Цена на подшипник зависит от:
Габаритные размеры
Размеры и геометрические характеристики
Нагрузка и ресурс
Защита
Присоединительные размеры
Конструкция и исполнение
Подшипник однорядный шариковый радиальный 6016 (AST, CRAFT, CX, CYSD, FAG)
Подшипник шариковый однорядный радиально-упорный 7016 (CYSD, KOYO, NACHI, NTN, SKF)
Подшипник шариковый радиальный однорядный 116