Главная > Подшипники> Шариковые> Радиально-упорные>QJ 202 N2MA

QJ 202 N2MA — ШарикоПодшипник с четырёхточечным контактом, импортное производство по ISO стандарту, размер 35x15x11 номер основного исполнения 202.
Производитель: SKF.
Шарикоподшипник с четырехточечным контактом.
N2 = Два установочных паза (выемки) на расстоянии 180 градусов в одной боковой поверхности наружного кольца или шайбе корпуса.
Цена от:495 р.
Цена на подшипник зависит от:
| Обозначение | Модификация |
|---|---|
| N202 | Однорядный цилиндрический роликоподшипник. Внутреннее кольцо подшипника имеет два борта, наружное — без бортов. |
| Q202 | |
| SB202 | |
| NP202 | |
| NJ202 | |
| NU202 | |
| 4-202 | |
| 5-202 | |
| UC202 | |
| US202 | |
| ER202 | |
| ES202 | |
| EX202 | |
| NF202 | Внутреннем кольце с двойным фланцем, внешнее с одним. |
| NH202 | |
| FD202 | |
| QJ202 | Шарикоподшипник с четырехточечным контактом. |
| NA202 | Игольчатый роликоподшипник с размерами по ISO 15. |
| RB202 | |
| SA202 | |
| SA202F | Механически обработанный сепаратор из стали или чугуна, центрируемый по телам качения. |
| SUC202 | Вкладыш из нержавеющей стали для термопластичного подшипникового узла, внутреннее кольцо расширено с обеих сторон, крепится на вал с помощью винтов, уплотнения с обеих сторон. |
| NUP202 | Однорядный цилиндрический роликоподшипник. Наружное кольцо имеет два борта, внутреннее — один борт и одно свободное фланцевое кольцо. Основные размеры по DIN 5412-1, относится к подтипу фиксированные подшипники, разъемные, с сепаратором. |
| W202PP | P = Литой сепаратор из стеклонаполненного полиамида 6,6, центрируемый по телам качения. |
| N202 E | Однорядный цилиндрический роликоподшипник. Внутреннее кольцо подшипника имеет два борта, наружное — без бортов. Е = Увеличенная грузоподъемность. |
| BNT202 | |
| NP202 E | Е = Увеличенная грузоподъемность. |
| NU202 E | Однорядный цилиндрический роликоподшипник. Наружное кольцо подшипника имеет два борта, а внутреннее кольцо бортов не имеет. Е = Увеличенная грузоподъемность. |
| UC202D1 | D1 = (Смазка сегмента, код W33) = Смазочная канавка и три отверстия в наружном кольце подшипника. Начиная с = D320 Суффикс D1 не используется. |
| UC202G2 | G2 = установка с нормальным преднатягом. |
| UC202L2 | L = массивный сепаратор из лёгкого сплава. |
| ASS202N | N = Канавка под стопорное кольцо в наружном кольце |
| AS202D1 | D1 = (Смазка сегмента, код W33) = Смазочная канавка и три отверстия в наружном кольце подшипника. Начиная с = D320 Суффикс D1 не используется. |
| US202G2 | G2 = установка с нормальным преднатягом. |
| BXRE202 | Е = Увеличенная грузоподъемность. |
| ES202G2 | G2 = установка с нормальным преднатягом. |
| NF202 E | Внутреннем кольце с двойным фланцем, внешнее с одним. Е = Увеличенная грузоподъемность. |
| EX202G2 | G2 = установка с нормальным преднатягом. |
| NH202 E | Е = Увеличенная грузоподъемность. |
| KH202AE | A = внутренняя модификация конструкции. |
| NJ202 E | Однорядный цилиндрический роликоподшипник. Наружное кольцо имеет два борта, наружное — один борт. Е = Увеличенная грузоподъемность. |
| SB202-10 | |
| SSN202LL | LL (Сегментное уплотнение, код 2RU) = Лабиринтные уплотнения на обеих сторонах (Уплотнение L = типа = все части уплотнения L = типа покрыты цинком на всех сторонах для улучшения защиты от коррозии = без трения уплотнения). |
| SSN202ZZ | 2Z = Металлические шайбы с каждой стороны подшипника. |
| UC202-10 | |
| NUP202 E | Однорядный цилиндрический роликоподшипник. Наружное кольцо имеет два борта, внутреннее — один борт и одно свободное фланцевое кольцо. Основные размеры по DIN 5412-1, относится к подтипу фиксированные подшипники, разъемные, с сепаратором. Е = Увеличенная грузоподъемность. |
| AEL202D1 | D1 = (Смазка сегмента, код W33) = Смазочная канавка и три отверстия в наружном кольце подшипника. Начиная с = D320 Суффикс D1 не используется. |
| AELS202N | S2 = Кольца подшипника стабилизированы для рабочих температур до + 250 С. |
| CS202LLU | LLU = Резиновые уплотнения на каждой стороне подшипника. |
| ER202-10 |
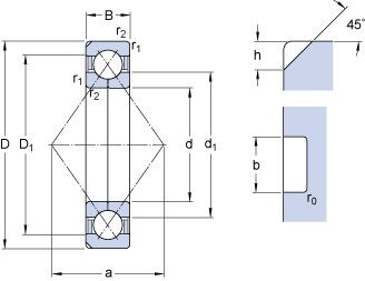
Габаритные размеры
Размеры и геометрические характеристики
Нагрузка и ресурс
Коэффициенты для расчета
Присоединительные размеры
Прочие характеристики
Однорядный полимерный подшипник 6202/HR11TN (SKF)
Однорядный полимерный подшипник 6202/HR22Q2 (SKF)
Подшипник шариковый из нержавеющей стали W 6202-2RS1/VP311 (SKF)
Подшипник шариковый из нержавеющей стали W 6202-2Z (SKF)
Подшипник шариковый из нержавеющей стали W 6202-2RS1 (SKF)
радиальный шарикоподшипник из нержавеющей стали W 6202-2RZ (SKF)