Главная > Подшипники> Шариковые> Радиально-упорные>QJ 1276 N2MA

QJ 1276 N2MA — ШарикоПодшипник с четырёхточечным контактом, импортное производство по ISO стандарту, размер 680x380x132 номер основного исполнения QJ1276.
Производитель: SKF.
Шарикоподшипник с четырехточечным контактом.
N2 = Два установочных паза (выемки) на расстоянии 180 градусов в одной боковой поверхности наружного кольца или шайбе корпуса.
Цена по запросу
Цена на подшипник зависит от:
| Обозначение | Модификация |
|---|---|
| QJ 1276 | Шарикоподшипник с четырехточечным контактом. |
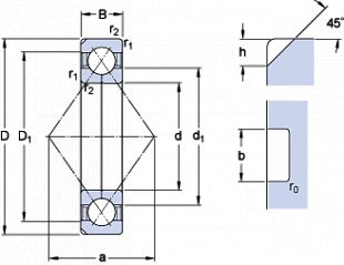
Габаритные размеры
Размеры и геометрические характеристики
Нагрузка и ресурс
Коэффициенты для расчета
Присоединительные размеры
Прочие характеристики