Главная > Подшипники> Шариковые> Радиально-упорные>QJ 1268 MA/344524

QJ 1268 MA/344524 — ШарикоПодшипник с четырёхточечным контактом, импортное производство по ISO стандарту, размер 620x340x118 номер основного исполнения QJ1268.
Производитель: SKF.
Шарикоподшипник с четырехточечным контактом.
MA = Механически обработанный латунный сепаратор, центрируемый по наружному кольцу.
Цена по запросу
Цена на подшипник зависит от:
| Обозначение | Модификация |
|---|---|
| QJ 1268 | Шарикоподшипник с четырехточечным контактом. |
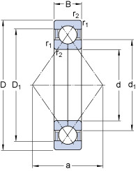
Габаритные размеры
Размеры и геометрические характеристики
Нагрузка и ресурс
Коэффициенты для расчета
Присоединительные размеры