Главная > Подшипники> Шариковые> Радиально-упорные>QJ 1248 MA/344524

QJ 1248 MA/344524 — Подшипник шариковый с четырехточечным контактом, импортное производство по ISO стандарту, размер 440x240x85 номер основного исполнения QJ1248.
Производитель: SKF.
Шарикоподшипник с четырехточечным контактом.
MA = Механически обработанный латунный сепаратор, центрируемый по наружному кольцу.
Цена по запросу
Цена на подшипник зависит от:
| Обозначение | Модификация |
|---|---|
| QJ 1248 | Шарикоподшипник с четырехточечным контактом. |
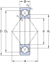
Габаритные размеры
Размеры и геометрические характеристики
Нагрузка и ресурс
Коэффициенты для расчета
Присоединительные размеры