Главная > Подшипники> Шариковые> Радиально-упорные>QJ 1022

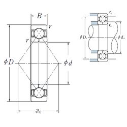
QJ 1022 — Подшипник шариковый радиально-упорный, импортное производство по ISO стандарту, размер 110x170x28 номер основного исполнения QJ1022.
Производится брендами: CX, CYSD, ISB, ISO, NSK.
Шарикоподшипник с четырехточечным контактом.
Цена по запросу
Цена на подшипник зависит от:
Габаритные размеры
Размеры и геометрические характеристики
Нагрузка и ресурс
Защита
Присоединительные размеры
Конструкция и исполнение
Однорядный цилиндрический роликовый подшипник NU1022 (CX, CYSD, ISB, ISO, KOYO)
Подшипник однорядный шариковый радиальный 6022 (CRAFT, CX, CYSD, FAG, ISB)
Подшипник шариковый однорядный радиально-упорный 7022 (CYSD, KOYO, NACHI, NSK, NTN)
Подшипник шариковый радиальный однорядный 122
Подшипник шариковый однорядный радиально-упорный HS7022 C.T.P4S.UL (FAG)