Главная > Подшипники> Шарнирные скольжения>POS 8EC

POS 8EC — Сферический шарнирный подшипник, импортное производство по ISO стандарту, размер 8x74x12 номер основного исполнения .
Производитель: IKO.
ЕС = эксцентриковый фиксатор воротника с утопленным внутренним кольцом на одной стороне.
Цена по запросу
Цена на подшипник зависит от:
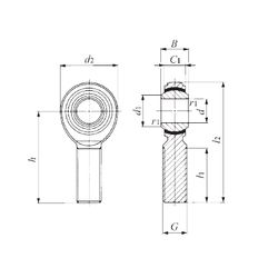
Габаритные размеры
Размеры и геометрические характеристики
Нагрузка и ресурс
Защита
Присоединительные размеры
Другие размеры
Сферический шарнирный подшипник PHS 8EC (IKO)
Сферический шарнирный подшипник PHSA 8 (IKO)
Сферический шарнирный подшипник PHS 8 (IKO, NIS)
Сферический шарнирный подшипник POS 8 (IKO, NIS)
Подшипник скольжения сферический SA 08 (CX, ISO)