Главная > Подшипники> Шарнирные скольжения>POS 3EC

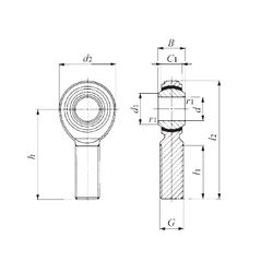
POS 3EC — Сферический шарнирный подшипник, импортное производство по ISO стандарту, размер 3x74x6 номер основного исполнения .
Производитель: IKO.
ЕС = эксцентриковый фиксатор воротника с утопленным внутренним кольцом на одной стороне.
Цена по запросу
Цена на подшипник зависит от:
Габаритные размеры
Размеры и геометрические характеристики
Нагрузка и ресурс
Защита
Присоединительные размеры
Другие размеры
Подшипник скольжения сферический PHS 3 (IKO)
Подшипник скольжения сферический POS 3 (IKO)
Сферический шарнирный подшипник PHS 3EC (IKO)