Главная > Подшипники> Шарнирные скольжения>PCMW 629002 E

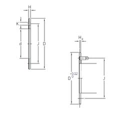
PCMW 629002 E — Подшипник скольжения, импортное производство по ISO стандарту, размер 62x90x2 номер основного исполнения .
Производитель: SKF.
W = Без кольцевой канавки и смазочных отверстий в наружном кольце.
Цена по запросу
Цена на подшипник зависит от:
Габаритные размеры
Размеры и геометрические характеристики
Нагрузка и ресурс
Подшипник скольжения EGW62-E40 (INA)
Подшипник скольжения EGW62-E40-B (INA)