Главная > Подшипники> Шарнирные скольжения>PCMW 426601.5 E

PCMW 426601.5 E — Подшипник скольжения, импортное производство по ISO стандарту, размер 42x66x1 номер основного исполнения .
Производитель: SKF.
W = Без кольцевой канавки и смазочных отверстий в наружном кольце.
Цена по запросу
Цена на подшипник зависит от:
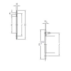
Габаритные размеры
Размеры и геометрические характеристики
Нагрузка и ресурс
Подшипник скольжения EGW42-E40 (INA)
Подшипник скольжения EGW42-E40-B (INA)
Подшипник скольжения EGW42-E50 (INA)
Подшипник скольжения PCMW 426601.5 M (SKF)