Главная > Подшипники> Шарнирные скольжения>PB 5

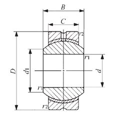
PB 5 — Подшипник скольжения сферический, импортное производство по ISO стандарту, размер 5x16x8 номер основного исполнения .
Производитель: IKO.
Цена по запросу
Цена на подшипник зависит от:
Габаритные размеры
Размеры и геометрические характеристики
Нагрузка и ресурс
Защита
Подшипник шариковый радиальный 980055 ЮУС21 (ГПЗ-3)
Подшипник шариковый радиальный однорядный с выступающим внутренним кольцом, с двумя защитными шайбами, с канавкой для комплектования шариками без сепаратора 980065 ЮУ (ГПЗ-3)
Подшипник шариковый радиальный однорядный с выступающим внутренним кольцом, с двумя защитными шайбами, с канавкой для комплектования шариками без сепаратора 980065 ЮУС2 (ГПЗ-3)
Радиальный сферический подшипник скольжения SBT5 (NMB)
Подшипник скольжения сферический SSR 5 (ISB)