Главная > Подшипники> Шарнирные скольжения>PB 28

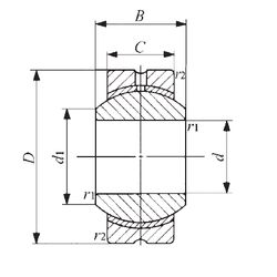
PB 28 — Подшипник скольжения сферический, импортное производство по ISO стандарту, размер 28x62x35 номер основного исполнения PB28.
Производитель: IKO.
Цена от:468 р.
Цена на подшипник зависит от:
Габаритные размеры
Размеры и геометрические характеристики
Нагрузка и ресурс
Защита
Радиальный шарикоподшипник CES206-18 (SNR)
Радиальный шарикоподшипник ES206-18 (SNR)
Подшипник для корпуса GRA102-NPP-B-AS2/V (INA)
Подшипник скольжения сферический SSR 28 (ISB)
Радиальный сферический подшипник скольжения GEBK28S (AST, LS)