Главная > Подшипники> Шарнирные скольжения>PB 18

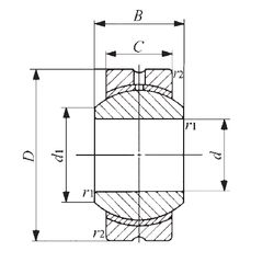
PB 18 — Подшипник однорядный шариковый радиальный, импортное производство по ISO стандарту, размер 18x42x23 номер основного исполнения PB18.
Производитель: IKO.
Цена по запросу
Цена на подшипник зависит от:
Габаритные размеры
Размеры и геометрические характеристики
Нагрузка и ресурс
Защита
Подшипник шариковый радиальный самоцентрирующийся GE 16 BBH (ISB)
Радиальный сферический подшипник скольжения SBT18 (NMB)
Подшипник скольжения сферический SSR 18 (ISB)
Подшипник скольжения сферический GEBK18S (FBJ, LS)