Главная > Подшипники> Шарнирные скольжения>PB 10

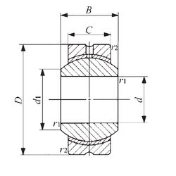
PB 10 — Сферический подшипник скольжения, импортное производство по ISO стандарту, размер 10x26x14 номер основного исполнения PB10.
Производитель: IKO.
Цена по запросу
Цена на подшипник зависит от:
Габаритные размеры
Размеры и геометрические характеристики
Нагрузка и ресурс
Защита
Подшипник роликовый игольчатый 914800 К1С21 (ГПЗ-3)
Подшипник роликовый игольчатый 914800 Ю2С21 (ГПЗ-3)
Подшипник роликовый игольчатый 914800 К (ГПЗ-3)
Подшипник роликовый игольчатый 914800 К1 (ГПЗ-3)
Подшипник шариковый радиальный самоцентрирующийся GE 10 BBH (ISB)
Подшипник скольжения сферический SA10T/K (CRAFT)