Главная > Подшипники> Шариковые> Упорные>O-4

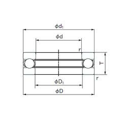
O-4 — Подшипник шариковый упорный однонаправленный, импортное производство по ISO стандарту, размер 12x32x15 номер основного исполнения .
Производитель: NACHI.
Цена по запросу
Цена на подшипник зависит от:
Габаритные размеры
Размеры и геометрические характеристики
Нагрузка и ресурс
Защита
Присоединительные размеры
Конструкция и исполнение
Подшипник шариковый двухрядный радиально-упорный 3201 (CX, CYSD, ISO, KOYO, SIGMA)
Опорный ролик NATV12 PP (INA)
Подшипник шариковый радиально-упорный двухрядный 3056201 (ГПЗ-23)
Подшипник шариковый радиально-упорный 3056201 К (ГПЗ-23)
Подшипник шариковый радиально-упорный 5-3086201 Д (ГПЗ-4)
Подшипник шариковый из нержавеющей стали W 6201 (CYSD, SKF)