Главная > Подшипники> Комбинированные>NX7-TV

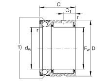
NX7-TV — Роликовый игольчатый подшипник, импортное производство по ISO стандарту номер основного исполнения .
Производитель: INA.
TV = Твердая клетка из армированного стекловолокном полиамида, шариковая езда.
Цена по запросу
Цена на подшипник зависит от:
Габаритные размеры
Размеры и геометрические характеристики
Нагрузка и ресурс
Прочие характеристики