Главная > Подшипники> Роликовые > Радиальные>NUP420-M

NUP420-M — Цилиндрический роликоподшипник, импортное производство по ISO стандарту, размер 100x250x58 номер основного исполнения NUP420.
Производитель: NKE.
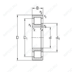
Однорядный цилиндрический роликоподшипник. Наружное кольцо имеет два борта, внутреннее — один борт и одно свободное фланцевое кольцо. Основные размеры по DIN 5412-1, относится к подтипу фиксированные подшипники, разъемные, с сепаратором.
M = массивный латунный сепаратор.
Цена по запросу
Цена на подшипник зависит от:
| Обозначение | Модификация |
|---|---|
| NUP 420 | Однорядный цилиндрический роликоподшипник. Наружное кольцо имеет два борта, внутреннее — один борт и одно свободное фланцевое кольцо. Основные размеры по DIN 5412-1, относится к подтипу фиксированные подшипники, разъемные, с сепаратором. |
Габаритные размеры
Размеры и геометрические характеристики
Нагрузка и ресурс
Защита
Присоединительные размеры
Конструкция и исполнение
Подшипник роликовый радиальный с короткими цилиндрическими роликами с однобортовым внутренним кольцом 42420
Подшипник роликовый радиальный с короткими цилиндрическими роликами без бортов на наружном кольце 2420
Подшипник роликовый радиальный с короткими цилиндрическими роликами без бортов на внутреннем кольце 32420
Подшипник роликовый радиальный с короткими цилиндрическими роликами с однобортовым внутренним кольцом 42420 М
Подшипник роликовый радиальный 62420
Подшипник роликовый радиальный 8-42420 М (ГПЗ-1)