Главная > Подшипники> Роликовые > Радиальные>NUP 428

NUP 428 — Цилиндрический роликоподшипник, импортное производство по ISO стандарту, размер 140x360x82 номер основного исполнения NUP428.
Производится брендами: CX, ISO, KOYO, NACHI.
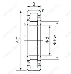
Однорядный цилиндрический роликоподшипник. Наружное кольцо имеет два борта, внутреннее — один борт и одно свободное фланцевое кольцо. Основные размеры по DIN 5412-1, относится к подтипу фиксированные подшипники, разъемные, с сепаратором.
Цена по запросу
Цена на подшипник зависит от:
Габаритные размеры
Размеры и геометрические характеристики
Нагрузка и ресурс
Защита
Конструкция и исполнение
Подшипник роликовый радиальный с короткими цилиндрическими роликами без бортов на внутреннем кольце 32428
Подшипник роликовый радиальный с короткими цилиндрическими роликами с однобортовым внутренним кольцом 42428
Подшипник роликовый радиальный с короткими цилиндрическими роликами без бортов на внутреннем кольце 32428 М
Подшипник роликовый радиальный 42428М (EPK)
Подшипник роликовый радиальный 62428
Подшипник роликовый радиальный 8-42428 М (ГПЗ-1)