Главная > Подшипники> Роликовые > Радиальные>NUP 424

NUP 424 — Цилиндрический роликоподшипник, импортное производство по ISO стандарту, размер 120x310x72 номер основного исполнения NUP424.
Производится брендами: CX, CYSD, ISO, KOYO, NACHI, NSK.
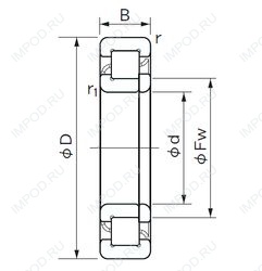
Однорядный цилиндрический роликоподшипник. Наружное кольцо имеет два борта, внутреннее — один борт и одно свободное фланцевое кольцо. Основные размеры по DIN 5412-1, относится к подтипу фиксированные подшипники, разъемные, с сепаратором.
Цена по запросу
Цена на подшипник зависит от:
| Обозначение | Модификация |
|---|---|
| NUP424 M | Однорядный цилиндрический роликоподшипник. Наружное кольцо имеет два борта, внутреннее — один борт и одно свободное фланцевое кольцо. Основные размеры по DIN 5412-1, относится к подтипу фиксированные подшипники, разъемные, с сепаратором. M = массивный латунный сепаратор. |
Габаритные размеры
Размеры и геометрические характеристики
Нагрузка и ресурс
Защита
Конструкция и исполнение
Подшипник роликовый радиальный с короткими цилиндрическими роликами без бортов на внутреннем кольце 32424
Подшипник роликовый радиальный с короткими цилиндрическими роликами без бортов на наружном кольце 2424
Подшипник роликовый радиальный 32424М (EPK)
Подшипник роликовый радиальный с короткими цилиндрическими роликами с однобортовым внутренним кольцом 42424
Подшипник роликовый радиальный 6-32424 М (ГПЗ-1)
Подшипник роликовый радиальный 62424