Главная > Подшипники> Роликовые > Радиальные>NUP 422

NUP 422 — Однорядный цилиндрический роликовый подшипник, импортное производство по ISO стандарту, размер 110x280x65 номер основного исполнения NUP422.
Производится брендами: CX, CYSD, ISO, KOYO, NACHI.
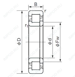
Однорядный цилиндрический роликоподшипник. Наружное кольцо имеет два борта, внутреннее — один борт и одно свободное фланцевое кольцо. Основные размеры по DIN 5412-1, относится к подтипу фиксированные подшипники, разъемные, с сепаратором.
Цена от:39 625 р.
Цена на подшипник зависит от:
| Обозначение | Модификация |
|---|---|
| NUP422-M | Однорядный цилиндрический роликоподшипник. Наружное кольцо имеет два борта, внутреннее — один борт и одно свободное фланцевое кольцо. Основные размеры по DIN 5412-1, относится к подтипу фиксированные подшипники, разъемные, с сепаратором. M = массивный латунный сепаратор. |
Габаритные размеры
Размеры и геометрические характеристики
Нагрузка и ресурс
Защита
Конструкция и исполнение
Подшипник роликовый радиальный с короткими цилиндрическими роликами с однобортовым внутренним кольцом 42422
Подшипник роликовый радиальный с короткими цилиндрическими роликами без бортов на внутреннем кольце 32422
Подшипник роликовый радиальный 62422
Подшипник роликовый радиальный с короткими цилиндрическими роликами без бортов на наружном кольце 2422
Подшипник роликовый радиальный с короткими цилиндрическими роликами с однобортовым внутренним кольцом 30-42422 М (ГПЗ-1)
Подшипник роликовый радиальный с короткими цилиндрическими роликами без бортов на внутреннем кольце 32422 М