Главная > Подшипники> Роликовые > Радиальные>NUP 421

NUP 421 — Цилиндрический роликоподшипник, импортное производство по ISO стандарту, размер 105x260x60 номер основного исполнения NUP421.
Производится брендами: CX, CYSD, ISO, KOYO, NACHI.
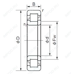
Однорядный цилиндрический роликоподшипник. Наружное кольцо имеет два борта, внутреннее — один борт и одно свободное фланцевое кольцо. Основные размеры по DIN 5412-1, относится к подтипу фиксированные подшипники, разъемные, с сепаратором.
Цена по запросу
Цена на подшипник зависит от:
| Обозначение | Модификация |
|---|---|
| NUP421-M | Однорядный цилиндрический роликоподшипник. Наружное кольцо имеет два борта, внутреннее — один борт и одно свободное фланцевое кольцо. Основные размеры по DIN 5412-1, относится к подтипу фиксированные подшипники, разъемные, с сепаратором. M = массивный латунный сепаратор. |
Габаритные размеры
Размеры и геометрические характеристики
Нагрузка и ресурс
Защита
Конструкция и исполнение
Подшипник роликовый радиальный с короткими цилиндрическими роликами без бортов на внутреннем кольце 32421
Подшипник роликовый радиальный с короткими цилиндрическими роликами без бортов на наружном кольце 2421
Подшипник роликовый радиальный с короткими цилиндрическими роликами без бортов на внутреннем кольце 32421 М
Подшипник роликовый радиальный с короткими цилиндрическими роликами с однобортовым внутренним кольцом 42421
Подшипник роликовый радиальный 62421М (EPK)
Подшипник роликовый радиальный 90-62421 М (ГПЗ-1)