Главная > Подшипники> Шариковые> Упорные>NUP 3988 ECM

NUP 3988 ECM — Однорядный цилиндрический роликоподшипник, импортное производство по ISO стандарту, размер 600x440x118 номер основного исполнения NUP3988.
Производитель: SKF.
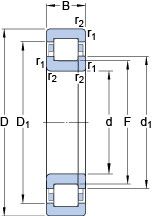
Однорядный цилиндрический роликоподшипник. Наружное кольцо имеет два борта, внутреннее — один борт и одно свободное фланцевое кольцо. Основные размеры по DIN 5412-1, относится к подтипу фиксированные подшипники, разъемные, с сепаратором.
EC = Оптимизированная внутренняя конструкция, включающая больше и / или более крупные ролики и с модифицированным контактом ролика / концевого фланца. M = Механически обработанный латунный сепаратор, центрируемый по роликам.
Цена по запросу
Цена на подшипник зависит от:
| Обозначение | Модификация |
|---|---|
| NUP3988 | Основное конструктивное исполнение. |
Габаритные размеры
Размеры и геометрические характеристики
Нагрузка и ресурс
Коэффициенты для расчета
Присоединительные размеры
Прочие характеристики
Сферический роликоподшипник с цилиндрическими и коническими отверстиями 23988 CCK/W33 (SKF)
Сферический роликоподшипник с цилиндрическими и коническими отверстиями 23988 CC/W33 (SKF)