Главная > Подшипники> Роликовые > Радиальные>NUP 332 E

NUP 332 E — Цилиндрический роликоподшипник, импортное производство по ISO стандарту, размер 160x340x68 номер основного исполнения NUP332.
Производится брендами: CX, NACHI, NTN.
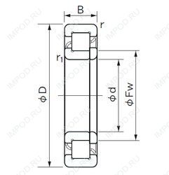
Однорядный цилиндрический роликоподшипник. Наружное кольцо имеет два борта, внутреннее — один борт и одно свободное фланцевое кольцо. Основные размеры по DIN 5412-1, относится к подтипу фиксированные подшипники, разъемные, с сепаратором.
Е = Увеличенная грузоподъемность.
Цена от:46 181 р.
Цена на подшипник зависит от:
| Обозначение | Модификация |
|---|---|
| NUP 332 | Однорядный цилиндрический роликоподшипник. Наружное кольцо имеет два борта, внутреннее — один борт и одно свободное фланцевое кольцо. Основные размеры по DIN 5412-1, относится к подтипу фиксированные подшипники, разъемные, с сепаратором. |
| NUP332R | Однорядный цилиндрический роликоподшипник. Наружное кольцо имеет два борта, внутреннее — один борт и одно свободное фланцевое кольцо. Основные размеры по DIN 5412-1, относится к подтипу фиксированные подшипники, разъемные, с сепаратором. R = Наружное кольцо с фланцем . |
| NUP332 M | Однорядный цилиндрический роликоподшипник. Наружное кольцо имеет два борта, внутреннее — один борт и одно свободное фланцевое кольцо. Основные размеры по DIN 5412-1, относится к подтипу фиксированные подшипники, разъемные, с сепаратором. M = массивный латунный сепаратор. |
| NUP332EM | Однорядный цилиндрический роликоподшипник. Наружное кольцо имеет два борта, внутреннее — один борт и одно свободное фланцевое кольцо. Основные размеры по DIN 5412-1, относится к подтипу фиксированные подшипники, разъемные, с сепаратором. E = Увеличенная грузоподъемность. М = Механически обработанный латунный сепаратор, центрируемый по роликам. |
Габаритные размеры
Размеры и геометрические характеристики
Нагрузка и ресурс
Защита
Конструкция и исполнение
Подшипник шариковый однорядный радиально-упорный 7332 (FAG, KOYO, NACHI, NTN)
Подшипник шариковый радиально-упорный QJ332 (CX, FAG, ISO, NSK)
Цилиндрический роликоподшипник NJ332 (FAG, ISB, ISO, KOYO, NACHI)
Однорядный цилиндрический роликовый подшипник NU332 (FAG, ISB, ISO, KOYO, NACHI)
Подшипник шариковый однорядный радиально-упорный 7332 B.MP.UA (FAG)
Подшипник шариковый однорядный радиально-упорный 7332 B.MP.UO (FAG)