Главная > Подшипники> Шариковые> Упорные>NUP 2328 ECML

NUP 2328 ECML — Однорядный цилиндрический роликоподшипник, импортное производство по ISO стандарту, размер 300x140x102 номер основного исполнения NUP2328.
Производитель: SKF.
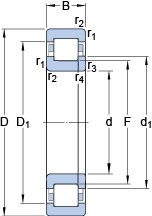
Однорядный цилиндрический роликоподшипник. Наружное кольцо имеет два борта, внутреннее — один борт и одно свободное фланцевое кольцо. Основные размеры по DIN 5412-1, относится к подтипу фиксированные подшипники, разъемные, с сепаратором.
EC = Оптимизированная внутренняя конструкция, включающая больше и / или более крупные ролики и с модифицированным контактом ролика / концевого фланца. ML = монолитная латунная клетка оконного типа, центрированная по центру или наружному кольцу.
Цена от:59 488 р.
Цена на подшипник зависит от:
Габаритные размеры
Размеры и геометрические характеристики
Нагрузка и ресурс
Коэффициенты для расчета
Присоединительные размеры
Прочие характеристики
Подшипник роликовый сферический 22328 CCJA.W33VA405 (FAG, SKF)
Однорядный цилиндрический роликоподшипник NJ2328 ECML (FAG, SKF)
Цилиндрический роликоподшипник повышенной грузоподъёмности NCF 2328 ECJB (SKF)
Подшипник роликовый сферический 22328 CCJA/W33VA406 (SKF)
Сферический роликоподшипник с цилиндрическими и коническими отверстиями 22328 CCKJA/W33VA405 (SKF)
Подшипник роликовый сферический 22328-2CS5K/VT143 (SKF)